Kính hiển vi điện tử quét SEM của TESCAN là một thiết bị lý tưởng phục vụ cho việc quan sát bề mặt của các vật liệu không dẫn điện như Gỗ, Vải và Giấy,... nhờ có độ phân giải cao và độ sâu ảnh lớn.
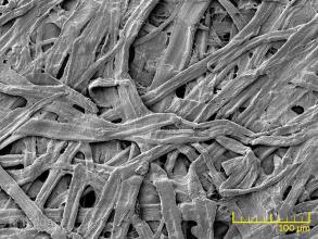
Vật liệu gỗ, vải và giấy
Phục vụ cho mục đích nghiên cứu của những vật liệu này, Kính hiển vi điện tử quét SEM (FEG-SEM) của TESCAN cung cấp hình ảnh có độ phóng đại cao ngay cả khi điện thế gia tốc cực thấp. Chế độ UniVac với áp suất thay đổi và đầu dò GSD chuyên dùng cho các mẫu không thể sử dụng lớp phủ kim loại lên bề mặt.
Ngoài ra, Micro-CT cho phép người dùng quan sát các đặc điểm bên trong như độ xốp, sự liên kết của các sợi và sự phân bố các pha mà không phá hủy mẫu. Dynamic CT cho phép người dùng quan sát những thay đổi bên trong cấu trúc khi bị ảnh hưởng bởi tải.
-
Vải có thể được sản xuất từ nhiều loại vật liệu. Những loại vật liệu đó bao gồm vật liệu có nguồn gốc từ động vật (len và lụa), vật liệu chiết xuất từ thực vật (bông, sợi vải, sợi đay), vật liệu có nguồn gốc từ thiên nhiên (thủy tinh, sợi, amian) và vật liệu tổng hợp (polyester hoặc nylon)
-
Vải được tạo ra với nhiều tính chất khác nhau phụ thuộc vào độ dày và các loại sợi cụ thể.
-
Giấy được tạo ra bằng cách ép các sợi như bột giấy cellulose. Nó được sử dụng hàng ngày trong việc đóng gói và xây dựng,…
-
Gỗ là vật liệu hữu cơ được sử dụng trong ngành xây dựng và thiết kế nội thất. Các sản phẩm gỗ khác nhau như các tấm kết cấu bằng gỗ, ván ép,…
Hình ảnh ứng dụng trong lĩnh vực Vật liệu gỗ, vải và giấy





